服务中心


消防检测、维保与施工一站式服务

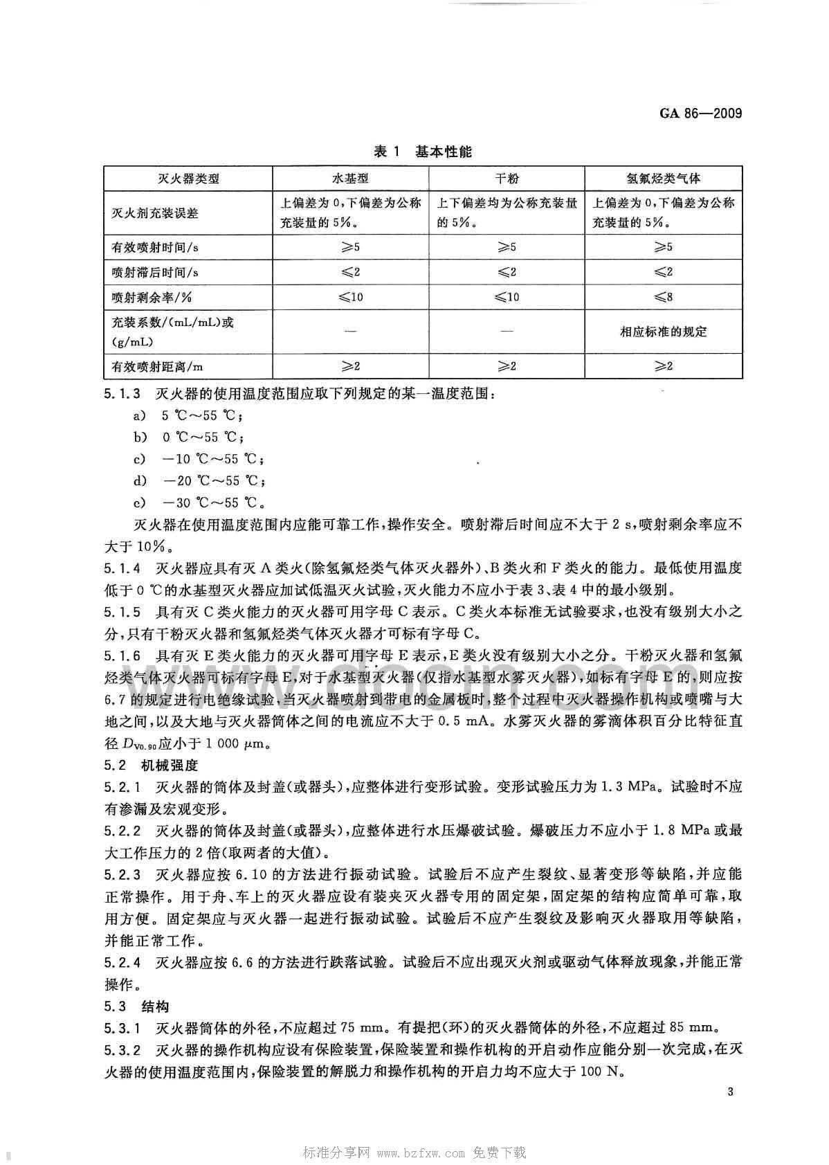
GA 86-2009 简易式灭火器


GA 86-2009 简易式灭火器GA 86-2009 简易式灭火器GA 86-2009 简易式灭火器GA 86-2009 简易式灭火器GA 86-2009 简易式灭火器GA 86-2009 简易式灭火器GA 86-2009 简易式灭火器GA 86-2009 简易式灭火器GA 86-2009 简易式灭火器GA 86-2009 简易式灭火器GA 86-2009 简易式灭火器GA 86-2009 简易式灭火器GA 86-2009 简易式灭火器GA 86-2009 简易式灭火器GA 86-2009 简易式灭火器GA 86-2009 简易式灭火器GA 86-2009 简易式灭火器GA 86-2009 简易式灭火器

%E7%AC%AC%E4%B8%80%EF%BC%8C%E6%9C%80%EF%BC%8C%E4%BC%98%E7%A7%80%EF%BC%8C%E5%A2%9E%E5%BC%BA%EF%BC%8C%E4%B8%80%E6%B5%81%EF%BC%8C%E5%8D%93%E8%B6%8A%EF%BC%8C%E9%A2%86%E5%85%88%EF%BC%8C%E5%85%88%E8%BF%9B%EF%BC%8C%E5%BC%95%E9%A2%86

Sorry,当前栏目暂无内容!

您可以查看其他栏目或返回 首页

Sorry,The current column has no content!

You can view other columns or return Home